Logo Komcat
СИСТЕМИ ЕЛЕКТРОННОЇ БЕЗПЕКИ
Logo Komcat
СИСТЕМИ ЕЛЕКТРОННОЇ БЕЗПЕКИ
Logo Komcat
БЕЗПЕКА
 ESP32-CAM МОДУЛЬ WI-FI З КАМЕРОЮ 2MP

ESP32-CAM може широко використовуватися в різних випадках Інтернет речей, підходить для домашніх інтелектуальних пристроїв, промислового бездротового управління, бездротового моніторингу, бездротової ідентифікації QR, бездротової системи позиціонування та інших програм Інтернету речей. ESP32-CAM упакований у DIP і може використовуватися безпосередньо шляхом підключення до задньої панелі, реалізуючи швидке виробництво продуктів, надаючи клієнтам високонадійні методи керування та зручність підключення до різних апаратних терміналів IoT. Модуль ESP32-CAM заснований на мікроконтролері ESP32-S і включає 2-мегапіксельну камеру OV2640 і слот для карт пам'яті формату microSD. Файли зображень у форматі JPEG зберігаються на карті microSD, завантаження знаходяться на веб-сторінці або передаються потоком на веб-сторінку, що відображається на комп'ютері, планшеті Android або мобільному телефоні. Модуль ESP32-CAM містить контакти послідовного порту TX і RX, шість контактів пов'язаних з картою microSD, COB світлодіод 13, який короткочасно вмикається під час зйомки, і червоний сигнальний світлодіод, який вмикається при подачі низького рівня. Доступ до модуля здійснюється за допомогою контактів GPIO 14, 4 та 33 відповідно. COB світлодіод включає безліч світлодіодних кристалів, підключених безпосередньо з підкладкою, що утворюють єдиний модуль. Модуль ESP32-CAM має три контакти GND, напруга 3,3 В і вхідний контакту 5V, а контакту VCC виводить 3,3 В або 5 В залежно від встановленої перемички. Контакт GPIO-0 визначає режим мікроконтролера ESP32-CAM; при завантаженні скетчу (flashing mode) цей контакт має вбудований підтягуючий резистор, підключається до GND. Контакт GPIO - 2, 4, 12, 13, 14 та 15 пов'язані з функціональністю картки microSD. Коли картка microSD не використовується, контакти GPIO доступні як вихідні. Розташування контактів модуля ESP32-CAM показано на малюнку, де Rup вказує на контакт підтягує вбудованого резистора.

Ключові характеристики ESP32-CAM

ESP32-CAM
  • Ультракомпактний модуль 802.11b/g/n Wi-Fi та BT/BLE SoC
  • Двоядерний 32-розрядний процесор, який можна використовувати як процесор додатків
  • Основна частота до 240MHz, обчислювальна потужність до 600 DMIPS
  • Внутрішня 520 Кб SRAM, зовнішня 8 Мб PSRAM
  • Підтримка UART/SPI/I2C/PWM/ADC/DAC та інших інтерфейсів
  • Підтримує камери OV2640 та OV7670 з вбудованим спалахом
  • Підтримка завантаження зображень через Wi-Fi
  • Підтримка TF карт
  • Підтримка кількох режимів сну
  • Вбудовані Lwip та FreeRTOS
  • Підтримка режиму роботи STA/AP/STA+AP
  • Підтримка Smart Config/AirKiss налаштування мережі в один клік
  • Підтримка локального оновлення послідовного порту та віддаленого оновлення прошивки (FOTA)

Вигляд та визначення контактів

32cam1
32cam2
32cam3

Технічні характеристики модуля

  • Модель модуля ESP32-CAM
  • Розпинання DIP-16
  • Розмір 27*40.5*4.5(±0.2)mm
  • SPI Flash 32 Мбіт
  • Стандарти Bluetooth 4.2 BR/EDR і BLE
  • Wi-Fi 802.11 b/g/n/e/i
  • Дев'ять портів IO
  • Швидкість передачі за замовчуванням становить 115200 біт/с
  • Формат зображення JPEG (підтримується лише OV2640), BMP, GRAYSCALE
  • Частотний діапазон Wi-Fi 2400 ~ 2483.5MHz
  • Вбудована PCB антена, посилення 2dBi

Потужність передавача:

  • 802.11b: 17±2 dBm (@11Mbps)
  • - 802.11g: 14±2 dBm (@54Mbps)
  • - 802.11n: 13±2 dBm (@MCS7)

Чутливість приймача:

  • CCK, 1 Mbps -90dBm
  • CCK, 11 Mbps -85dBm
  • 6 Mbps (1/2 BPSK) -88dBm
  • 54 Mbps (3/4 64-QAM) -70dBm
  • MCS7 (65 Mbps, 72.2 Mbps) -67dBm

Споживання енергії:

  • Спалах вимкнено 180mA@5V
  • Спалах увімкнено і налаштування яскравість на максимумі 310mA@5V
  • Глибокий сон споживання електроенергії може досягати 6mA@5V
  • Модем уві сні може досягати 20mA@5V
  • Легкий сон може досягати 6,7mA@5V
  • Безпеки WPA/WPA2/WPA2-Enterprise/WPS
  • Діапазон живлення 4.75-5.25V
  • Робоча температура -20°C ~ 70°C
  • Середовище зберігання -40°C ~ 125°C, 90%RH
  • Вага 10g

Опис контактів

CAM ESP32 SD ESP32
D0 PIN5 CLK CMD
D1 PIN18 CMD PIN15
D2 PIN19 DATA0 PIN2
D3 PIN21 DATA1/СПАЛАХ PIN4
D4 PIN36 DATA2 PIN12
D5 PIN39 DATA3 PIN13
D6 PIN34
D7 PIN35
XCLK PIN0
PCLK PIN22
VSYNC PIN25
HREF PIN23
SDA PIN26
SCL PIN27
POWER PIN32

Швидкість та формат виведення зображення модуля ESP32-CAM

ФОРМАТ QQVGA QVGA VGA SVGA
JPEG 6 7 7 8
BMP 9 9 - -
GRAYSCALE 9 8 - -
Тестувалась камера OV2640 XCLK 20 МГц, модуль передавав зображення в браузер комп'ютера через WiFi

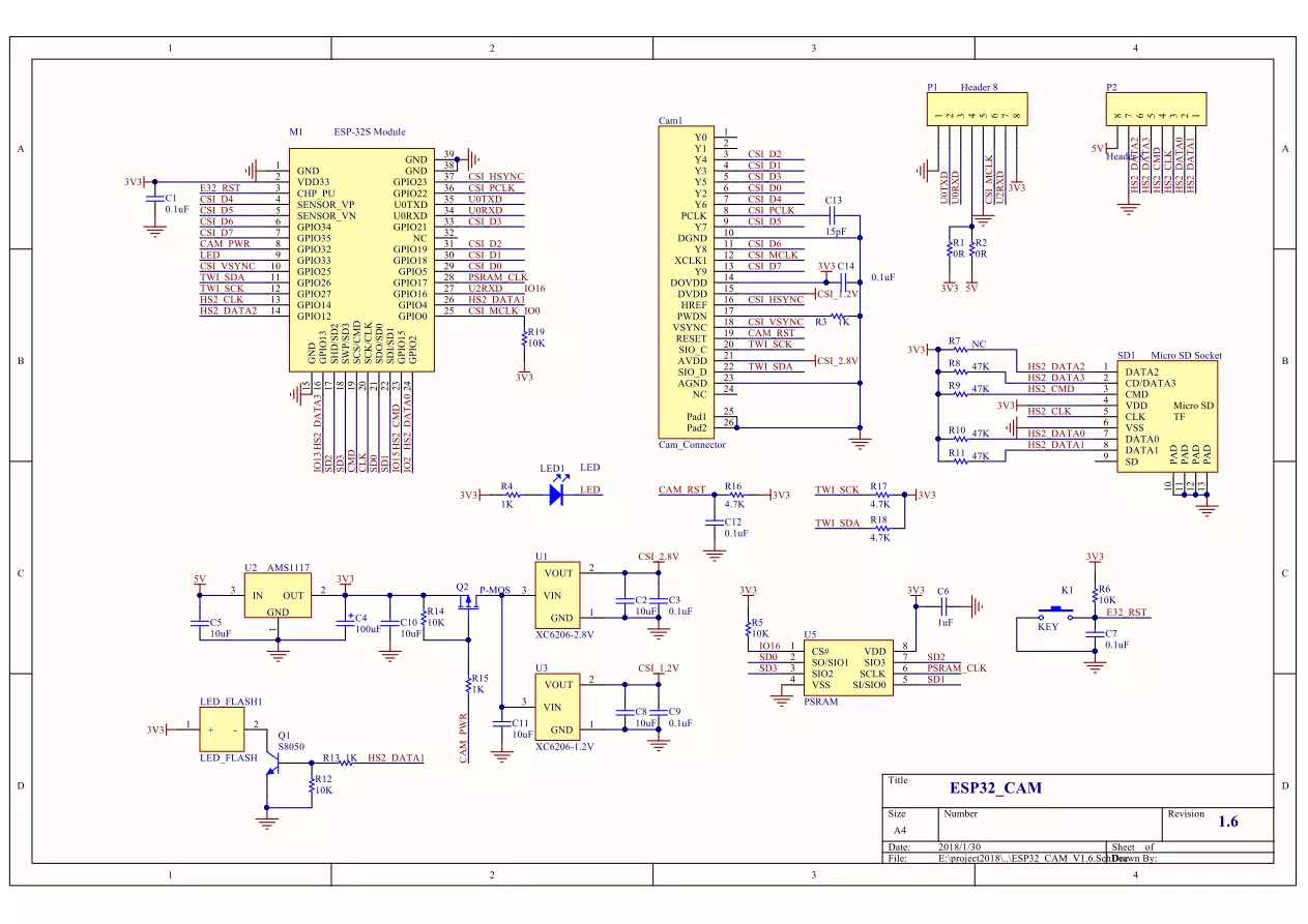
Принципова схема ESP32-CAM

Принципова схема ESP32-CAM